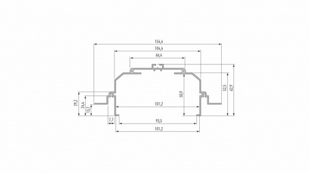
Profil montażowy LUMINES LARGO M4 to jeden z czterech profili montażowych przeznaczonych do montażu profilu nawierzchniowego LARGO. Profil został zaprojektowany z myślą o montażu oświetlenia LED pomiędzy płytami w suficie za pomocą wkrętów montażowych i profilu pomocniczego ROSET, który integruje cały system oświetleniowy.
Profil występuje w dwóch wersjach kolorystycznych:
- profil srebrny anodowany,
- profil biały lakierowany (RAL9016)
- profil czarny lakierowany (RAL9005 mat.)
Sposób montażu:
- za pomocą wkrętów montażowych oraz profilu pomocniczego ROSET
Profil sprzedawany jest w standardowych odcinkach: 1000 mm, 2020 mm, 3000 mm.
| Profil montażowy | Profile LUMINES |
| Largo M4 | inLargo, Largo |

Zasada montażu systemu profilu LARGO z kloszem SUPER WIDE z wykorzystaniem profilu montażowego LARGO M4, łącznika międzyprofilowego LARGO oraz profilu pomocniczego ROSET
Schemat złożenia elementów systemu oświetleniowego w suficie z wykorzystaniem profilu LARGO, (1) klosza SUPER WIDE, (2) taśm LED, (3) zaślepki LARGO z otworem, (3a), zaślepki LARGO bez otworu, (4) łącznika międzyprofilowego LARGO, (5) profilu pomocniczego ROSET, (6) profilu montażowego LARGO M4, (7) zaślepki LARGO M4 z wykończeniem prostym, (7a) zaślepki LARGO M4 z wykończeniem pełnym
Schemat złożenia elementów systemu oświetleniowego w suficie z wykorzystaniem profilu inLARGO (1) klosza SUPER WIDE, (2) taśm LED, (3) zaślepek inLARGO z otworem, (4) łączników prostych, (5) łączników międzyprofilowych LARGO, (6) profili pomocniczych ROSET, (7) profili montażowych LARGO M4, (8) zaślepki LARGO M4 z wykończeniem prostym, (8a) zaślepki LARGO M4 z wykończeniem pełnym





